Opis izdelka
splakovalne količine
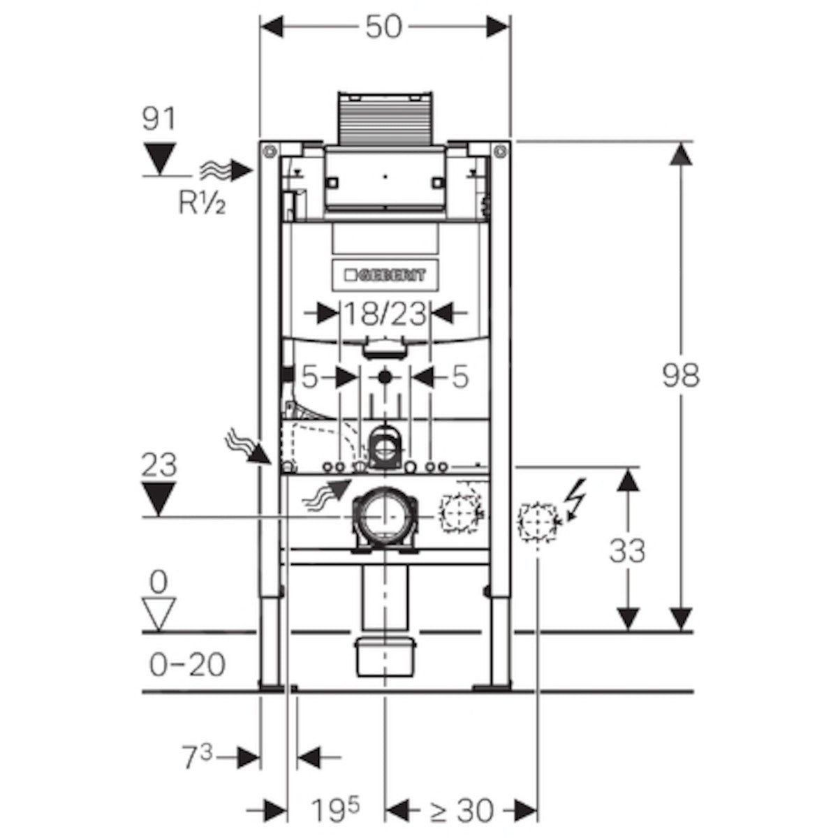
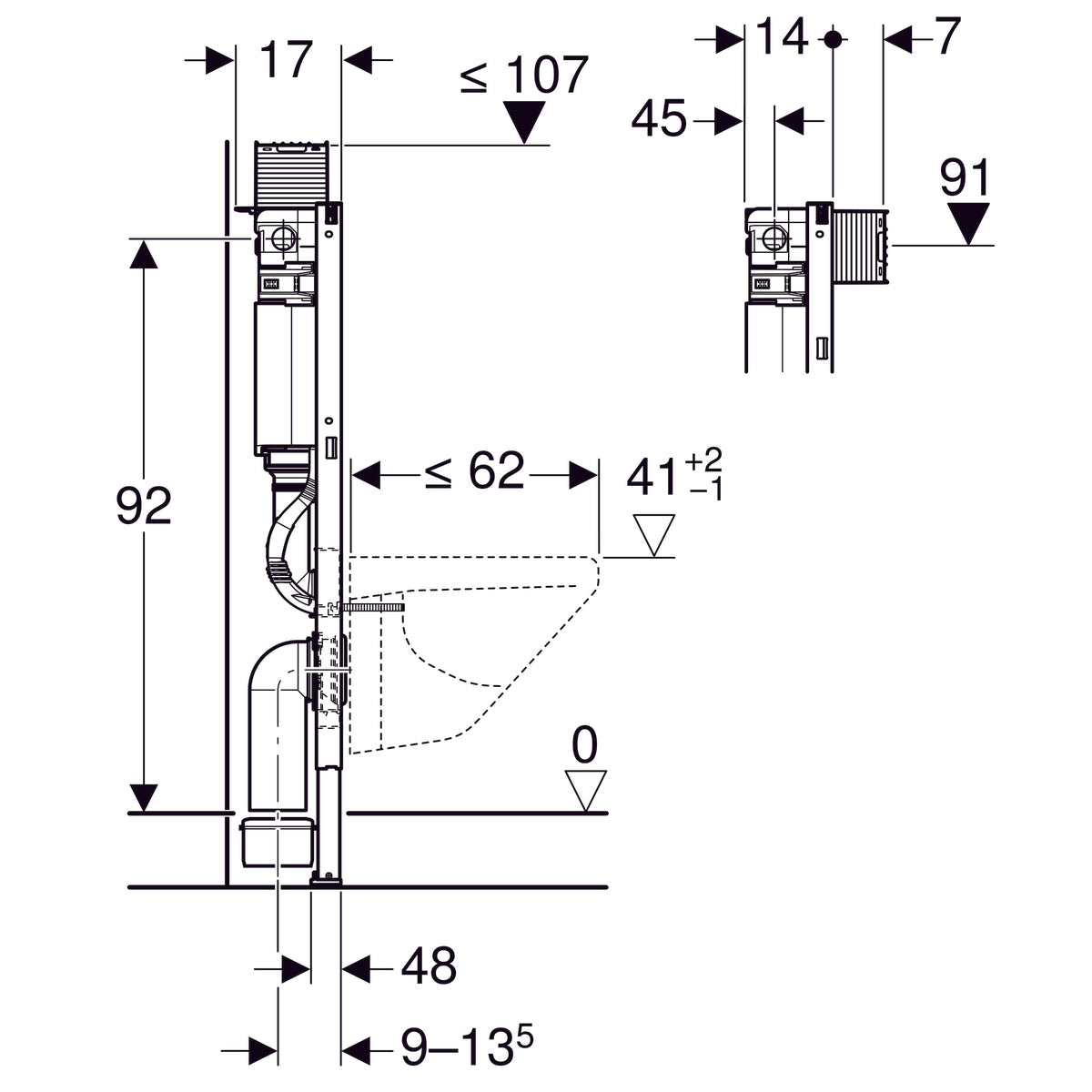
Suhomontažni element za stenski WC GEBERIT Duofix 98 cm s podometnim splakovalnikom Omega (ekv. 111.038.00.1 brez pritrdilnih kotnikov 111.839.00.1 ter zvočno izolacijskega seta 156.050.00.1). Splakovalniku ustrezajo le aktivirne tipke Omega.
- Blagovna znamka - GEBERIT
- Tip izdelka - Podometni splakovalnik
- Material - Kovine, plastika
- Širina - 500 mm
- Globina - 980 mm
- Območje nastavitve velike splakovalne količine - 4,5 l / 6 l / 7,5 l
- Območje nastavitve male splakovalne količine - 3 l / 4 l
- Garancija - 2 leti (garancijski list)
Namen uporabe:
- Za suho-montažno gradnjo
- Za vgradnjo v predstenske instalacije, delne višine ali v višini prostora
- Za talne nadgradnje 0–20 cm
- Za stenske WC-je z velikim konzolnim nastavkom do 62 cm
- Za stenske WC-je s priključnimi merami v skladu z EN 33:2011
- Splakovalniku ustrezajo le aktivirne tipke Omega
- Ni primerno za betoniranje
Lastnosti:
- Samonosno ogrodje, površinsko obdelano s praškanjem
- Ogrodje z izvrtanimi luknjami ø 9 mm za pritrditev pri leseni montažni gradnji
- Ogrodje, primerno za keramiko WC-ja z majhno postavitveno površino
- Cinkana nožna podpora z elementom proti drsenju, višinsko nastavljiva 0-20 cm
- Globina nožnih plošč ustreza vgradnji v U-profile UW 50 in UW 75, ter v Geberit Duofix sistemi
- Priključno koleno za montažo brez orodja, možnost nastavitve 45 mm
- PO splakovalnik z aktiviranjem spredaj ali zgoraj, polno protikondenčno izoliran
- Priključek vode na levi strani ali na levi strani zadaj
- Pri tovarniški nastavitvi je možno takojšnje naknadno splakovanje
- Opremljeno s prazno cevjo za dotok vode za priključek straniščnih školjk s funkcijo bide Geberit AquaClean
Oprema:
- Priključek vode R 1/2, možnost MeplaFix, z integriranim kotnim ventilom in krmilnim kolesom
- Vgradna zaščita za servisno odprtino
- Priključni komplet za WC, ø 90 mm
- Priključno koleno 90° iz polietilena visoke gostote PE-HD, ø 90 mm
- Prehodna spojka iz polietilena visoke gostote PE-HD, ø 90/110 mm
- 2 zaščitna čepa
- 2 navojni palici M12
- Pritrdilni material
Tehnična dokumentacija
- Tehnični list
- Navodila za montažo 1 del , 2 del
- Rezervni deli







