Opis izdelka
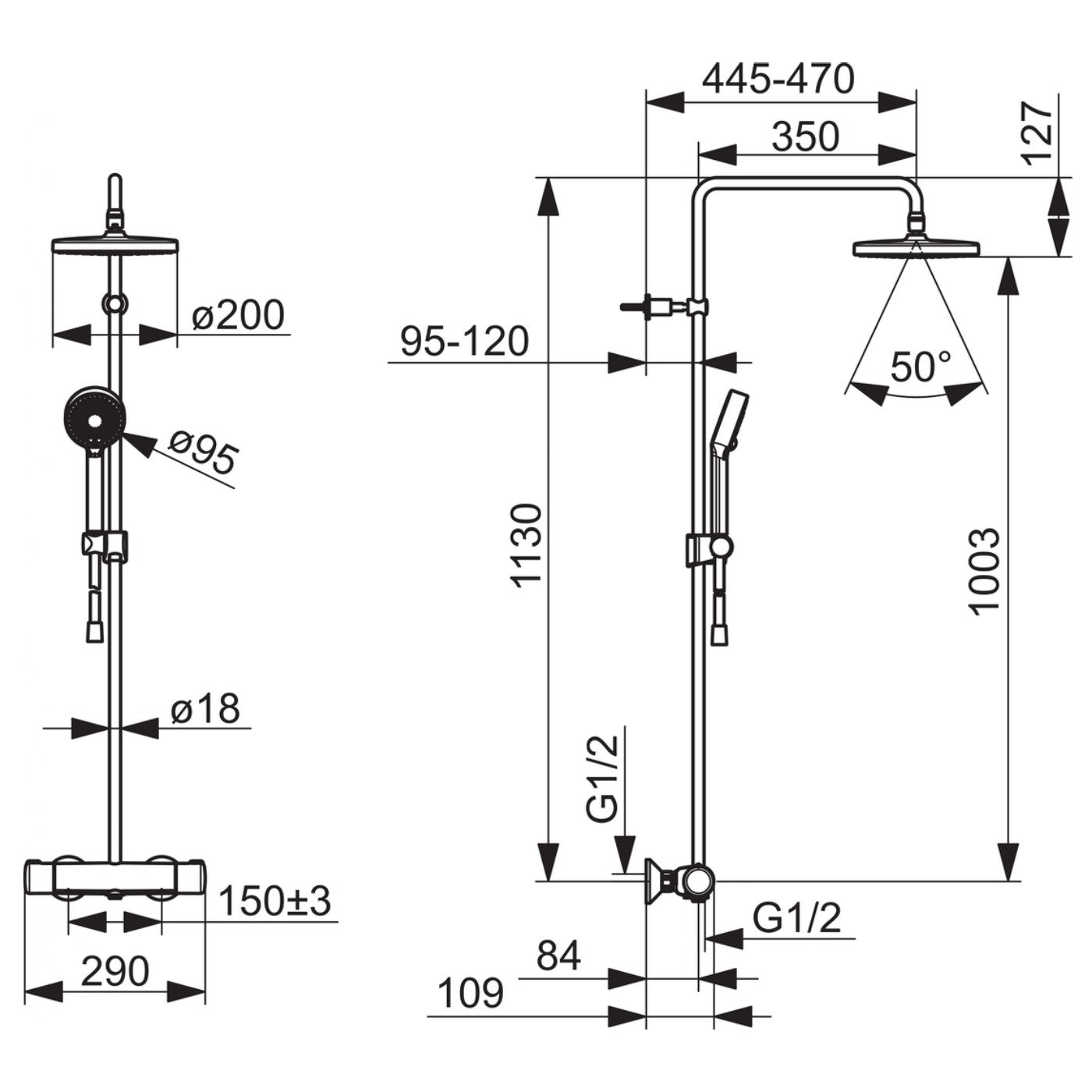
Stenska termostatska armatura za tuš, s tuš setom.
- Blagovna znamka - Hansa
- Serija - Micra
- Tip izdelka - Stenska termostatska pipa s tuš setom
- Material - Medenina
- Površina - Črna z mat zaključkom
- Oprema - Termostatska armatura za tuš Micra (5815017133), tuš roka za nadglavno prho, nadglavna prha 200 mm (1 funkcija), 3 funkcijska tuš ročka (izbira načina pršenja z obračanjem), tuš cev
- Pretok - 15,6 l/min
- Razdalja med priključki - 150 mm
- Garancija - 2 leti (splošne informacije)








